Recommended Products
咨詢熱線:
0519-82518168
電話:18922852877
郵箱:jacky@www.xdtcgyp.cn
QQ:523062883
地址:江蘇省常州市金壇區儒林開發區長豐路18號
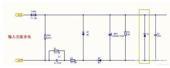
普通的二極管,像發光LED、整流二極管等工作于正向導通,如果是硅管的話導通電壓是0.7V左右,而鍺管導通只需要0.3V左右,每種不同的二極管導通的電壓不一樣,而且只允許單一的正向電流流過;但是反向加電壓時候,當電壓達到一定值時候發生齊納擊穿或者雪崩擊穿,我們平時經常用到的1N4148耐壓也就50V。如下圖,在發光二極管加以5V電壓,同時加一個限流電阻330歐姆。

而穩壓二極管卻是工作于反向狀態,利用電壓在一定范圍內電流幾乎不變特點來實現穩壓,如下圖

如果要實現穩壓大一點可以兩個穩壓二極管串聯起來
